제품소개

 HOME  >  제품소개  >  AC Fan Motor  >  SHADED POLE
SHADED POLE CONDENSER RUN THREE PHASE


본문

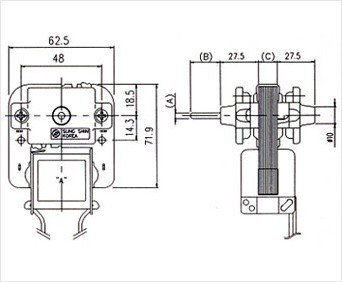
IS-23TYPE

주용도는 냉기순환용(Evaporator)으로 사용되며 내식성,장수명(연속 20,000hr이상), 저소음, 저입력 1629191932244.jpg 16291919334231.jpg;

▣ Characteristics

 

TYPE NO LOAD DIMENSION INS.
CLASS
WATER
PROOF
V Hz Pi(W) RPM TORQUE(kg.cm) (A)
(φ)
(B)
(mm)
(C)
(mm)
MAXIMUM
TORQUE
STARTING
TORQUE
 23210  110~240  50  6.5~15.5  2750~2900  0.042~0.200  0.055~0.100 φ2.5
φ3.0
φ3.17
φ4.0   
 10    A,E,B  X
 23210  60  5.5~14.0  3450~3500  0.033~0.150  0.032~0.090  10  A,E,B  X
 23211  50  6.5~15.5  2700~2900  0.050~0.230  0.042~0.105  11  A,E,B  X
 23211  60  5.5~14.5  3200~3400  0.033~0.173  0.032~0.094  11  A,E,B  X
 23213  50  6.0~16.0  2700~2800  0.055~0.260  0.050~0.115  13  A,E,B  X
 23213  60  6.1~15.5  3300~3400  0.043~0.210  0.045~0.097  13  A,E,B  X
 23215  50  9.5~17.0  2800~2950  0.130~0.280  0.105~0.120  15  A,E,B  X
 23215  60  9.0~16.0  3300~3500  0.105~0.230  0.065~0.110  15  A,E,B  X
상호명 (주)성신모텍 | 대표자 변완섭 | 사업자등록번호 130-86-12868 | TEL 032-710-2311~3 | FAX 032-710-2314 | ADD 경기도 부천시 오정구 오정로134번길 16
E-MAIL [email protected] | COPYRIGHTSⓒ2014 (주)성신모텍 ALL RIGHTS RESERVED.